Sign In | Join Free | My chinabagsnet.com
China HUATEC GROUP CORPORATION logo
HUATEC GROUP CORPORATION
HUATEC GROUP CORPORATION Professional Non Destructive Testing Equipment
Verified Supplier

17 Years

Home > Shore Durometer >

Shore C Shore D Hardness Scale Shore Durometer GB/T531.1-2008

HUATEC GROUP CORPORATION
Trust Seal
Verified Supplier
Credit Check
Supplier Assessment
Contact Now

Shore C Shore D Hardness Scale Shore Durometer GB/T531.1-2008

Brand Name : HUATEC

Model Number : HT-6510C HT-6510D platform

Certification : ISO, CE, GOST

Place of Origin : Beijing

MOQ : 1pcs

Payment Terms : T/T, Paypal, Western Union

Supply Ability : 500pcs per month

Delivery Time : 1-4days

Packaging Details : Standard export package

Standards : GB/T531.1-2008

Product name : Shore C Shore D test platform

keyword : shore durometer

Contact Now

Shore C Shore D Hardness Scale Shore Hardness Rubber Shore D Scale Shore Durometer Test Stand
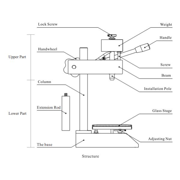
1.Main Instruction
Shore D and Shore C Durometer Test Stand is developed for our shore durometer which can make test more stable and accurate. The weight causes measuring force, pressing the tip of durometer onto tested material, so as to obtain a more stable and accurate hardness value. The weight can be selected according to the installed type of shore durometer. This type test stand is applied for Shore A Durometer, Shore D Durometer, Shore Durometer AO, Shore Durometer AM, and Shore Durometer C.
Below is the structure for Shore C and Shore D test stand:
Shore C Shore D Hardness Scale Shore Durometer GB/T531.1-2008
2.Use and operation
Firstly fix Shore durometer on the test stand through installation pole. Put hardness block in accessory on glass stage. Press down handle, under weight of poise, durometer tip goes into hole of the block till press foot of durometer touching block completely. At this time, the hardness value on display should be within ±1 of signed value on the block. If the value is out of ±1,please turn the adjusting nut under glass stage to make value within to ±1. If the durometer is without hardness block, press down handle, under weight of poise, durometer foot attach to glass stage completely. At this time, the hardness value on display should be within 100 ±1, if it is not, please turn the adjusting nut under glass stage to make value to 100 ±1. Put the test material on the glass stage, drive operation handle. Under weight of designation weight, durometer attach to test material completely, read the value showed on display in regular time.
Reading value time of thermoplastic rubber is 15 seconds, for vulcanized rubber or others unknown rubber it is 3 seconds. For Shore C model (Micropore Material Durometer), it is within 1 second to read the value after durometer attach to the material completely. If adopting other test time, it should be pointed out in test report.
3. How to use estenstion pole
The test stand is equipped with extension pole, specially designed for measuring the thick samples, 100mm in length. When the sample thickness >16mm, use the extension rod to take measurements, the specific steps are as follows:
(1) Unscrew the handwheel of crossbeam, unload the upper part of test stand.
(2) Turn the lower part up side down, hold the base and glass stage to avoid collision. Unscrew and remove a screw connects the base and column with hexagon wrench counterclockwise, and then remove the column, put away the base, pay attention to avoid the collision of glass stage.
(3) Pick up the column and the extension rod, connect them and screw tight.
(4) Inserted the connected column and extension rod into the concave hole of the base. Invert them and hold steady, connect them with the screw disassembled in step 2, and then use the hexagon wrench to screw clockwise, upside down. Pay attention to avoid the collision of glass stage.
(5) Set back the upper part onto the column, tighten the handwheel fixing beam structure
4. Caution when using
(1) The test stand is only applied for our shore durometer. When installing different mode of durometer, please adjust quality of weight first according to requirements. GB/T531.1-2008 have rule for the adjust of total quality as below: Shore A and Shore AO model is 1 Kg; Shore C model is 10 Kg ;(In HG/T2489-2007) Shore D model is 50 Kg; Shore AM model is 0.250 Kg; Note:Total quality includes quality of lock screw,designation weight, screw, installation pole, and durometer.
(2) Under environment without shock,the max pressing speed of test could not be above 3.2mm/s.
(3) Test specimen requirements and regulation, according to sample the corresponding standard.
(4) Glass stage is fragile, this support, when using and handling, pay attention to the protection, avoid violent collision
5.Maintance
Please clean the test stand after using it to avoid rust. Except for the damage caused by human factors,we promise that the maintenance is one year and supply technical service for ever
6. Reference standards
GB/T531.1-2008 Rubber,vulcanized or thermoplastic - Determination of indentation hardness- Part 1:Durometer method (Shore hardness) HG/T2489-2007 Cellular for Shoes-determination of Hardness

Product Tags:

gb/t531.1-2008 shore durometer

      

shore durometer huatec

      
Quality Shore C Shore D Hardness Scale Shore Durometer GB/T531.1-2008 wholesale

Shore C Shore D Hardness Scale Shore Durometer GB/T531.1-2008 Images

Inquiry Cart 0
Send your message to this supplier
 
*From:
*To: HUATEC GROUP CORPORATION
*Subject:
*Message:
Characters Remaining: (0/3000)